P6037冷水機循環泵(24v)
電壓: 24V
揚程: 0-31m
噪音: ≤55dB(A)
調速方式:
IP等級: IP32
功能: 缺水保護
介質溫度: 0-70℃
產品應用: | 產品特征: |
■中、小型激光冷水機 | ■重量:0.9kg |
■LED冷卻,半導體冷卻 | ■防護等級:IP32 |
■切割機、打標機、雕刻機冷卻循環 | ■絕緣等級:Class E級 |
■CNC機床、醫療、美容設備循環冷卻 | ■使用壽命:20000小時 |
| ■調速方式:可定制 | |
|
|
使用條件: | 特點: |
■環境溫度:-25 - 70℃ | ■采用無刷電機,體積小 |
■介質溫度:0-70℃ | ■超高楊程 |
■介質:清水 | ■壽命長 |
| ■使用場所:室內 | ■低功耗 |
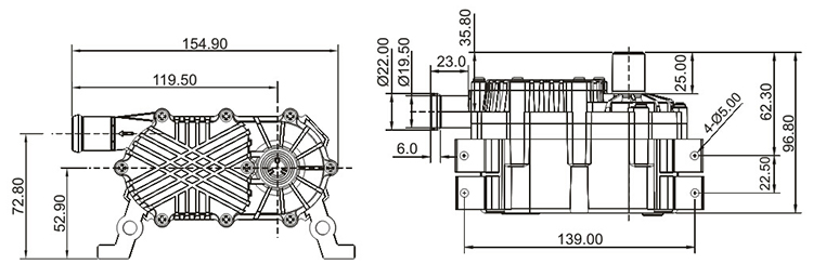
| 外觀尺寸: |
![]() |
|
曲線圖: |
![]() |
| 額定電壓 | 使用電壓范圍 | 額定電流 | 最大揚程 | 最大流量 | 額定功率 | 最大噪音 |
| V | V | A | m | L/min | W | dB(A) |
| 24 | 12-28 | 4.5 | 31 | 19 | 108 | ≤55 |




深鵬水泵-張先生
深鵬科技 - 張先生